Профессиональный строительный инструмент и оборудование
Каталог инструментов
Промышленный нагреватель воздуха Leister LHS 15 Premium
Промышленный нагреватель воздуха Leister LHS 15 Premium (Ляйстер ЛХС 15 Премиум) – воздухонагреватель электрический компактный для использования в промышленных установках и линиях для эффективной и надежной реализации различных технологических процессов с участием горячего воздуха, таких, как: стерилизация, сушка, сварка, очистка, усадка, формовка, удаление грата, активация и т.д.; в области производства полупроводников и электроники; в автомобильной и других отраслях промышленности.
Производитель: LEISTER (ЛЯЙСТЕР) – Швейцария.
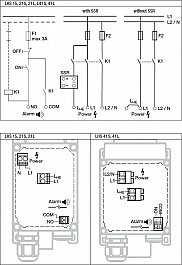
Преимущества промышленного нагревателя воздуха Leister LHS 15 Premium:
- Стандартный интерфейс
- Надежная система защиты
- Длительный срок службы нагревательного элемента
- Мощность нагрева плавно регулируется потенциометром
- Защита от перегрева нагревательного элемента и разъем выхода аварийного сигнала
| Тип вентилятора | Количество Leister LHS 15 Premium × Мощность | Количество Leister LHS 15 Premium × Расход воздуха | Температура |
| Leister Robust | 1 шт. × 800 Вт | 1 шт. × 150 л/мин | 420°C |
| Leister Robust | 2 шт. × 800 Вт | 2 шт. × 130 л/мин | 460°C |
- Воздухонагреватель Leister LHS 15 Premium при максимальной мощности нагрева и без насадки с вентилятором Leister Robust при 50 Гц, длине шланга 1,5 м, воздух на выходе не встречает препятствий
- Температура горячего воздуха 3 мм от выходного отверстия, измерена в самой горячей точке
- Расход воздуха при 0°C, 101,3 кПа в соответствии с DIN 1343
- Параметры расхода воздуха и температуры могут отклоняться от идеальных значений в зависимости от используемых насадок, от длины шланга и т.п.
| Изображение | Артикул | Наименование |
| 107.282 | Фланцевая насадка, насаживается, a = 40 мм | |
| 107.144 | Стандартная насадка, насаживается, Ø 5 мм | |
| 107.145 | Стандартная насадка, насаживается, Ø 10 мм | |
| 107.152 | Угловая насадка, насаживается, Ø 12 мм | |
| 107.310 | Решетчатая рефлекторная насадка, насаживается, a × b: 20 × 35 мм | |
| 107.311 | Решетчатая рефлекторная насадка, насаживается, a × b: 50 × 35 мм | |
| 107.324 | Решетчатая рефлекторная насадка, насаживается на стандартную насадку Ø 5 мм, a = 10 мм | |
| 105.549 | Широкая щелевая насадка, насаживается, a × b: 10 × 2 мм, изогнутая | |
| 105.559 | Широкая щелевая насадка, насаживается, a × b: 20 × 2 мм, длина 55 мм | |
| 105.548 | Широкая щелевая насадка, насаживается, a × b: 40 × 5 мм | |
| 105.547 | Широкая щелевая насадка, насаживается, a × b: 50 × 8 мм | |
| 144.035 | Пневмоадаптер (LHS 15) | |
| 143.533 | Адаптерная пластина LHS 15 при использовании LE 700 |
Цена и технические характеристики промышленного нагревателя воздуха Leister LHS 15 Premium:
Технический паяльный фен
-
Алмазные коронки по железобетону Kern Diamond Bit Concrete Premium 42 ммДиаметр: 42 ммРабочая длина: 450 ммЦена: 6 000 руб.
-
Алмазные коронки по железобетону Kern Diamond Bit Concrete Premium 800 ммДиаметр: 800 ммРабочая длина: 450 ммЦена: по запросу
-
Установка для алмазного бурения с микроударом Keos Pulsar KS-180 SetДиаметр отверстий: 10 - 180 ммМощность: 2,3 кВтЦена: 99 990 руб.
-
Алмазная коронка для сухого бурения с микроударом Адель Diamond Hit DH-D400 46 ммДиаметр: 46 ммРабочая длина: 450 ммЦена: 4 200 руб.
-
Коронка алмазная кольцевая по железобетону Kern Diamond Bit Concrete Premium 12 ммДиаметр: 12 ммРабочая длина: 300 - 450 ммЦена: 5 800 руб.
-
Коронка алмазная для подрозетников Keos Professional M16-SDS Plus 72/70 ммДиаметр: 72 ммРабочая длина: 60 ммЦена: 2 890 руб.
-
Алмазная коронка для сухого бурения с микроударом Адель Diamond Hit DH-D400 112 ммДиаметр: 112 ммРабочая длина: 450 ммЦена: 8 000 руб.
-
Алмазные коронки по железобетону Kern Diamond Bit Concrete Premium 92 ммДиаметр: 92 ммРабочая длина: 450 ммЦена: 10 700 руб.
Новости
-
26.11.2025Новые поступления для серьёзной работы: спираль и адаптер от Crocodile
-
21.11.2024Поступление желобонакатчиков GruvMaster - Новинка на Российском рынке!
-
27.12.2023С новым 2024 годом!
-
20.12.2022Режим работы в Новогодние праздники
-
12.10.2022ФСБ сообщила о попытке теракта с ПЗРК «Игла» в Подмосковье






Отзывы
Оставьте Ваш отзыв